VINTAGE
RADIO of (1975)
Touring professional
107 schematic
Printed circuit
boards of Touring Professional 107
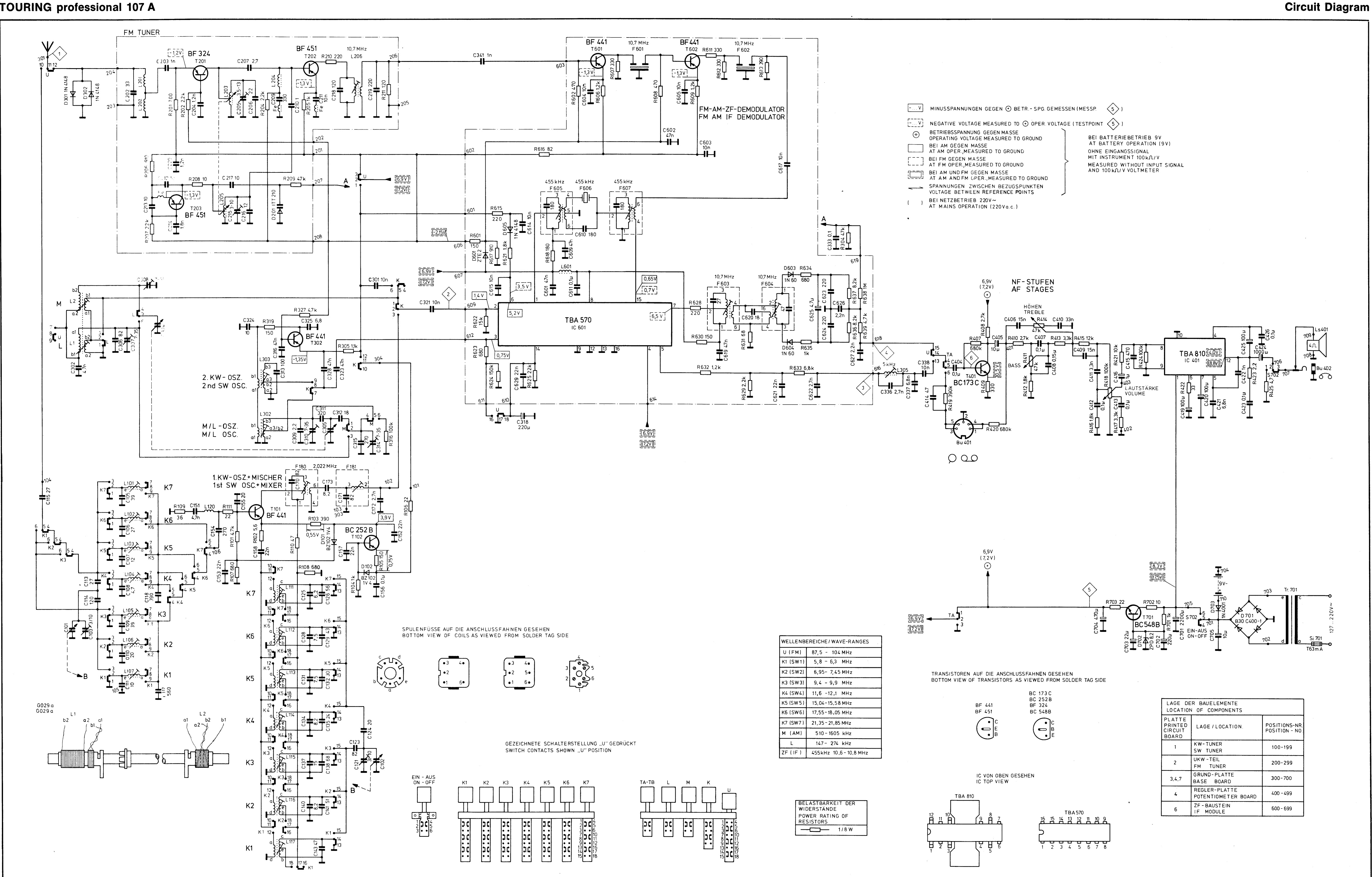
Touring
professional 107A circuit diagram
Touring
professional 107A printed circuit boards
Drive chord assembly
- Touring 107
Drive chord
assembly – Touring 107A






