Schematic Diagrams
Circuit Diagrams of TVs, HTS, amplifiers and more
Sunday, April 3, 2016
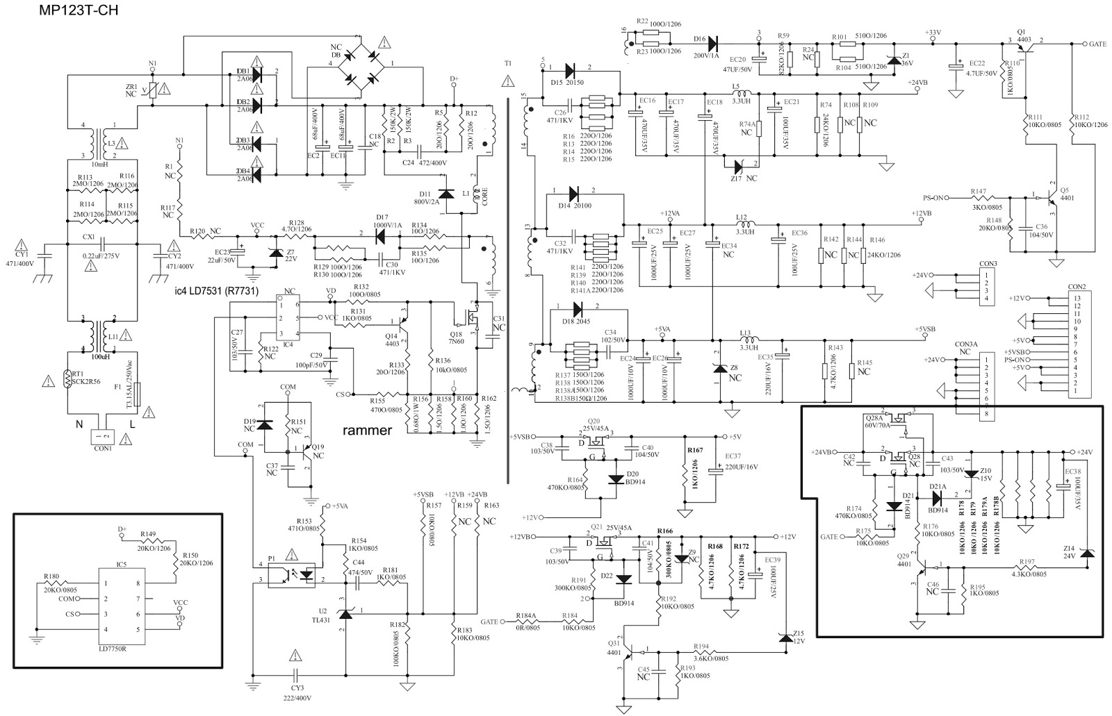
MP123T-CH SMPS Schematics – SMPS schematic – Philco 32 inch LED LCD TV
Power Supply Circuit Diagram - Philco 32" LED LCD TV
Newer Posts
Older Posts
Home
Subscribe to:
Comments (Atom)