Sunday, May 28, 2017
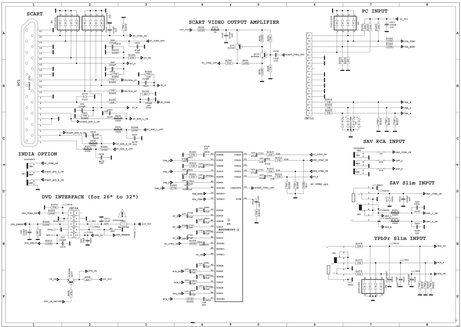
Sharp LC-32LE140E LCD TV – 17MB62 chassis – circuit diagram
Professional technician for all kind of electronic equipment. Doing since 1974.
Thursday, May 25, 2017
Color TV – Slim and Ultra Slim type – Circuit diagram – 8899 or8897 Syscon IC
Professional technician for all kind of electronic equipment. Doing since 1974.
Saturday, May 13, 2017
LG LCD TV SMPS EAY60869402, EAY60869403, EAY60869405 – CIRCUIT DIAGRAM
LG 42LD450-UA, LG 42LD550-UB, LG 42LD560, LG 32LD450-UA Power supply board
Used ICs: HS01G, STRW6053N, BD9270F-E2
On Condition: In a moment of Power ON Signal activated, the current of 3.5V output should be limited within 40mA(Max) at LCD TV condition for stability.
Do not turn “Power ON” Signal on at the load condition of 3.5V output, more than 40mA.Total regulation for each output circuit includes the results of input voltage variation, load variation, warm-up drift and temperature change.
The following instruments shall be used for measuring ripple noise.
1. Probe having impedance ratio of 1:1.
2. Oscilloscope having frequency characteristic of 100MHz or more.
Ripple and noise are measured at the end of output cable which are added a 0.1uF ceramic capacitor and 47uF electrolytic capacitor. (connected parallel )
Inverter Output Characteristics
“When doing inverter test, GND should be reinforced”
This
Power Supply has above-mentioned protections.
Short circuit protection between different output terminals is not considered.
Trip point for over voltage indicates the operating point when the output voltage slowly increases.
The conditions of Over Current measurement
Multi output(3.5V,12V,20V) is nominal load state except an over current measurement.
Short circuit protection between different output terminals is not considered.
Trip point for over voltage indicates the operating point when the output voltage slowly increases.
The conditions of Over Current measurement
Multi output(3.5V,12V,20V) is nominal load state except an over current measurement.
Inverter
Test Method.
SMPS circuit diagram
Click on the pictures to zoom in
Professional technician for all kind of electronic equipment. Doing since 1974.
Subscribe to:
Comments (Atom)











