Friday, June 19, 2015

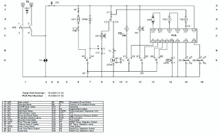
LGXCS62F – LGXC62 – MINI HI-FI SYSTEM – SCHEMATIC DIAGRAM

Circuit Diagram LGX62 [Click on the Diagrams to Zoom In]
MAIN AMPLIFIER
FLD DISPLAY
MAIN 
CD SECTION
TAPE DECK SECTION
USB
SMPS
PWB SMPS
CLICK ON THE PICTURES TO ZOOM IN

Monday, June 15, 2015

Fisher and Paykel DEX1 AA WH INTUITIVE DRYER – Exploded View - Parts

Exploded Views & PARTS LIST - Fisher & Paykel DEX1 AA WH INTUITIVE DRYER
The picture shows the type of product and may not necessarily be an exact image of the models.  The components shown in italics with a part number are those parts in the kit which are available also as separate items. In addition, some parts may be supplied with this kit which are not available as separate items and are therefore either not listed or a part number is not shown against the part description.
TOP DECK AND ELECTRONICS
CABINET, DRUM AND INLET DUCT
OUTLET DUCT
CHASSIS COMPONENTS & MOTOR ASSEMBLY
SUBDECK ASSEMBLY & DRUM DOOR ASSEMBLY
BASE PANEL AND COMPONENTS
CLICK ON THE PICTURES TO MAGNIFY

VESTEL 17MB25 TFT LCD TV KIT – CIRCUIT DIAGRAM – FULL

17MB25_TFT LCD TV kit _ Circuit diagram

Click on the pictures to Zoom In
SCHEMATICS
PWB COMPONENT & FOIL SIDES

Friday, June 12, 2015

WHIRLPOOL DISH-WASHER ADG352WH – EXPLODED VIEW – WIRING DIAGRAM

Exploded view_Wiring diagram_Parts list – Whirlpool ADG 352 WH – Dishwasher.
EXPLODED VIEW



WIRING DIAGRAM

TIMER
PARTS LIST
CLICK ON THE PICTURES TO MAGNIFY

Tuesday, June 9, 2015

FAGOR 2LF 013SZ – DISHWASHER – DISASSEMBLY and PARTS LIST

Exploded view_Circuit diagram _Part numbers – FAGOR 1LF013Z Dishwasher
EXPLODED VIEWS
CLICK ON THE PICTURES TO ZOOM IN