Tuesday, September 3, 2013
SONY DAV DZ120K - MAIN POWER [SMPS] - SCHEMATIC (Circuit Diagram) - [ TLP 421 – STR V153] HOME THEATER SYSTEM
Professional technician for all kind of electronic equipment. Doing since 1974.
Sunday, September 1, 2013
PANASONIC SA AK630 - SCHEMATIC - POWER - AMP - MOTOR DRIVE (RSN315H42C-P- Audio Output Ic)
Professional technician for all kind of electronic equipment. Doing since 1974.
JVC AV14F703 - CRT TV - SCHEMATIC - Using 2SK3326 – LTV 817M – TB1253N (Chroma-IF) – AN5829S (Sound Decoder)
Professional technician for all kind of electronic equipment. Doing since 1974.
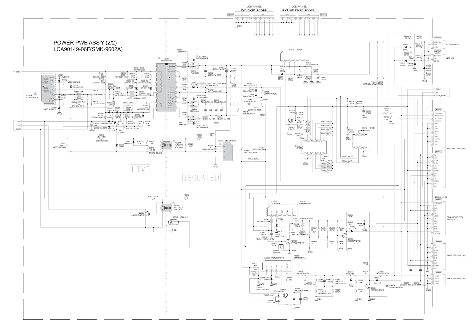
JVC LT 26C31BC LCD TV - POWER SUPPLY SCHEMATIC [Circuit Diagram] - Using QAL0425-001- BA05FP-X – PC123FY2 – MC33262D-X – 2SK2196 – STR-F6268S-F3 – PQ1CG2032FZ – SI-8033S/F1
Professional technician for all kind of electronic equipment. Doing since 1974.
ROLSEN 21C19 - ROLSEN PF21C19 - POWER SUPPLY [SMPS] - STR G5663
Professional technician for all kind of electronic equipment. Doing since 1974.
Subscribe to:
Comments (Atom)




















