Thursday, December 14, 2017

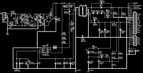
BN44-00304A - PSIV300402A Samsung LCD Monitor Circuit diagram

Used with Samsung LCD Monitor 943SN- 2043SN, Schematic
Used ICs: FSFM300N (SMPS controller IC), LTV817B (Opto isolator), SEM2105 and STM8324 (BL inverter control ICs)
Back-light inverter section circuit diagram
 Main power sinverter section circuit diagram
Click on the schematics to magnify