Tuesday, July 28, 2015

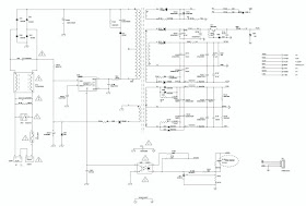
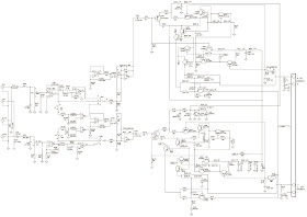
LG LH T550 – XH TK750 DVD/CD & KARAOKE RECEIVER – CIRCUIT DIAGRAM

LG LH-T550,1,2,3TB [ Speakers: LHS-55TBC, LHS-55TBS, LHS-55TBW ]
LG LH-T750,1,2,3TB [ Speakers: LHS-75TBC, LHS-75TBS, LHS-75TBW ]
LG XH-TK550X [ Speakers: XHS-75TBC, XHS-75TBS, XHS-75TBW ]
LG XH-TK750X [ Speakers: XHS-75TBC, XHS-75TBS, XHS-75TBW ]

DVD DECK MECHANISM - EXPLODED VIEW
SPEAKER BOXES - EXPLODED VIEW
SMPS
AMP - 5 TOOL
AMP - 7 TOOL
DVD, MPEG & DSP
RF & SERVO
MICOM

PHILCO MINI SYSTEM PH200 - EXPLODED VIEW - CIRCUIT DIAGRAM

Schematic & Exploded view_Philco Mini System PH200
Used ICs - TDA7265 (Power Amplifer)_7MD880 (Power Switching Control)
EXPLODED VIEW
POWER AMPLIFIER & MUTE CIRCUIT
SMPS SCHEMATIC

Friday, July 17, 2015

YAMAHA DXR8 DXR10 DXR12 DXR15 - POWERED SPEAKER– SCHEMATIC

YAMAHA U BRACKET UB-DXR8 / UB-DXR10 / UB-DXR12 / UB-DXR15 POWERED SPEAKER _ Circuit Diagram & exploded views
EXPLODED VIEWS
Overall assembly
CIRCUIT DIAGRAMS
DSP 
AMP CIRCUITS
Want to see the troubleshooting and firmware upgrade procedure?  SEE IT HERE
CLICK ON THE SCHEMATICS TO MAGNIFY

Thursday, July 16, 2015

PROLOGY CONTROL1502 CAR AUDIO SCHEMATIC

CA-200 – CA400 Prology Car Audio Circuit diagram
CIRCUIT DIAGRAMS [CLICK ON THE DIAGRAMS TO MAGNIFY]

Tuesday, July 14, 2015

MIVAR 32M1 and MIVAR 26M2 LCD TV SCHEMATIC

LCD TV CIRCUIT DIAGRAM USED ICS TDA7057AQ_TEA2261M74HC4066_VCT6953G_SIL9023
POWER SUPPLY [SMPS] & AUDIO OUTPUT CIRCUIT
LOGIC [Main] BOARD CIRCUIT
CLICK ON THE PICTURES TO MAGNIFY

Monday, July 13, 2015

BEHRINGER EPX 3000 - AMPLIFIER CIRCUIT DIAGRAM

BEHRINGER AMPLIFIER EPX-3000  SCHEMATIC 
INPUT SECTION SCHEMATIC
AMPLIFIER SECTIONS SCHEMATICS
POWER SUPPLY [SMPS] SCHEMATIC
CLICK ON THE SCHEMATICS TO MAGNIFY

TOSHIBA 14N21E2 COLOUR TELEVISION - SERVICE MODE - CIRCUIT DAGRAM

SERVICE MODE - MEMORY REPLACEMENT - DEFAULT DATA VALUES - SCHEMATIC DIAGRAM - Toshiba 14N21E2
SERVICE MODE LIST

This unit provided with the following SERVICE MODES so you can repair, examine and adjust easily.
To enter the Service Mode, press both set key and remote control key for more than 2 seconds.
CONFIRMATION OF HOURS USED
POWER ON total hours can be checked on the screen. Total hours are displayed in 16 system of notation.  NOTE: If you set a factory initialization, the total hours is reset to "0".
Set the VOLUME to minimum.
Press both VOL. DOWN button on the set and Channel
button (6) on the remote control for more than 2 seconds.
After the confirmation of using hours, turn off the power.
WHEN REPLACING EEPROM (MEMORY) IC
If a service repair is undertaken where it has been required to change the MEMORY IC, the following steps should be taken to
Ensure correct data settings while making reference to TABLE. [No need setting for after INI 16 due to the adjustment value.]
Enter DATA SET mode by setting VOLUME to minimum.
Press both VOL. DOWN button on the set and Channel button (6) on the remote control for more than 2 seconds
ADDRESS is now selected and should "blink". Using the VOL. +/- button on the remote, step through the ADDRESS until required ADDRESS to be changed is reached.
Press OK to select DATA. When DATA is selected, it will "blink".
Again, step through the DATA using VOL. +/- button until required DATA value has been selected.
Pressing OK will take you back to ADDRESS for further selection if necessary.
Repeat steps 3 to 6 until all data has been checked.
When satisfied correct DATA has been entered, turn POWER off (return to STANDBY MODE) to finish DATA input.
After the data input, set to the initializing of shipping.
Turn POWER on.
Press both VOL. DOWN button on the set and Channel button (1) on the remote control for more than 2 seconds.
After the finishing of the initializing of shipping, the unit will turn off automatically.
The unit will now have the correct DATA for the new MEMORY IC.
Confirmation of Fixed Value
Check if the fixed values of the each adjustment items are set correctly.
To check for the fixed values of the RF (60Hz), indicate the adjustment mode screen while input the 60Hz video signal.
SMPS SECTION CIRCUIT
DEFLECTION & CRT BOARD CIRCUIT
CHROMA-VIF SECTION CIRCUIT
SYSTEM CONTROL SECTION CIRCUIT
CLICK ON THE PICTURES TO ZOOM IN